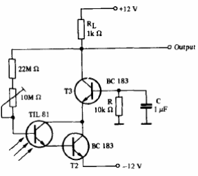
En la figura tenemos una configuración de respuesta dinámica aumentada con el uso de un transistor (TR3) en la configuración de base común. El circuito es de un manual de optoelectrónica de Texas Instruments.

En la figura tenemos una configuración de respuesta dinámica aumentada con el uso de un transistor (TR3) en la configuración de base común. El circuito es de un manual de optoelectrónica de Texas Instruments.
