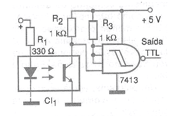
Este circuito está indicado para cualquier aplicación que utilice un acoplador con foto-transistor. La alimentación de la salida es de 5 V y de la entrada depende de la fuente excitadora. Para shields el resistor R1 puede tener valores entre 150 y 330 ohms dependiendo de la tensión de la lógica de control.




