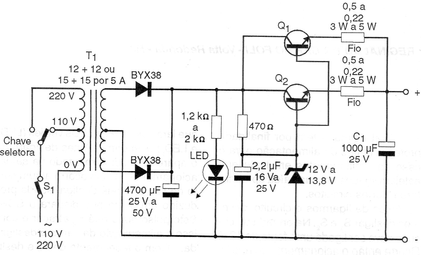
Encontramos esta fuente convencional con transistores de potencia en una publicación de 1997. La tensión de salida puede ser de 12 o 13,6 V según el diodo zener utilizado. Los transistores de potencia deben montarse en buenos disipadores de calor y el transformador tiene corriente de secundario de 5 A. Los transistores son del tipo 2N3055.




