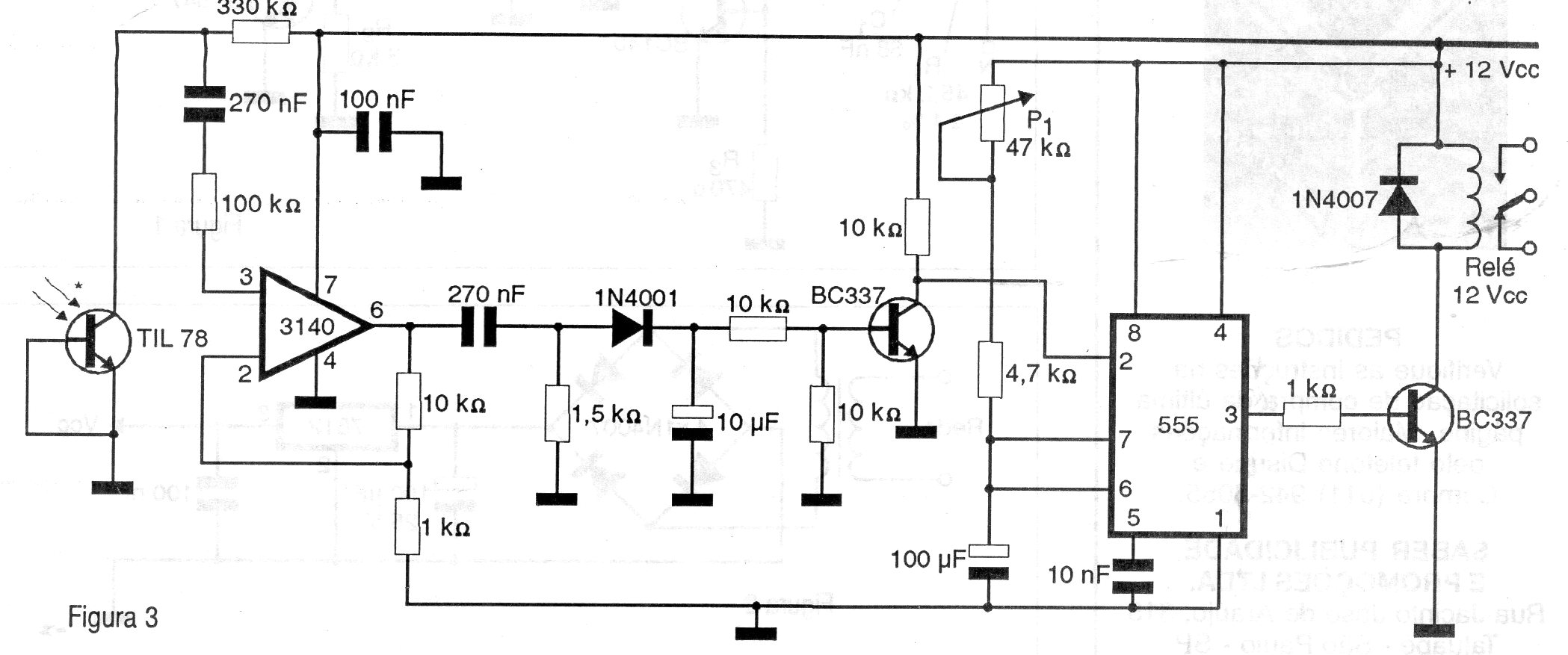
Este circuito es de una documentación de 1997. Puede ser utilizado con el circuito anterior (CIR2420S) en un detector de aproximación por infrarrojo. El sensor puede ser cualquier foto-transistor y dependiendo de la aplicación el sensor debe ser instalado en tubo con lente. El ajuste del funcionamiento (tiempo de disparo) se realiza en el trimpot P1. El circuito puede ser alimentado con 12 V utilizando un relé para esta tensión.




