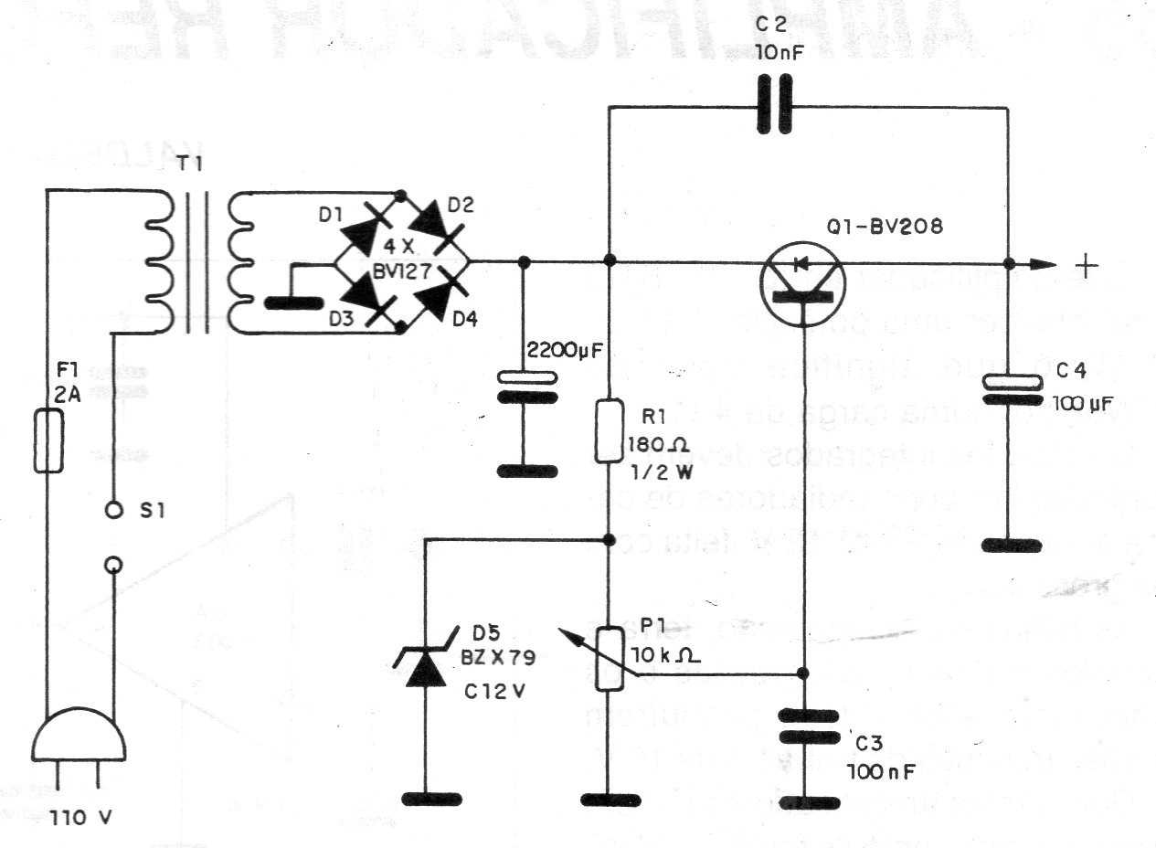
Esta fuente utiliza un transformador de 12 + 12 V con 10 A y el transistor de potencia debe estar dotado de un excelente disipador de calor. Los diodos son para 10 A con tensión inversa de al menos 50 V y el zener determina la tensión de salida que se puede ajustar en P1. Los electrolíticos tienen tensión de trabajo de al menos 12 V.




