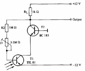
El circuito mostrado en la figura tiene una respuesta rápida con el uso de T2. El trimpot ajusta la sensibilidad. El circuito es de un manual de optoelectrónica de Texas Instruments. El transistor puede ser el BC548 y la fuente de alimentación es simétrica.




