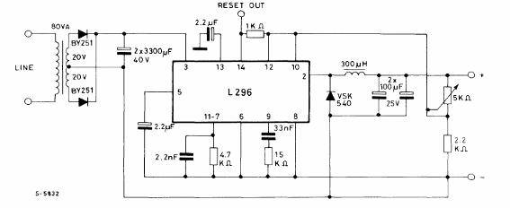
Este regulador del manual de circuitos integrados de la SGS de 1982 utiliza un regulador conmutado poco común en nuestros días, pero de excelente rendimiento, resultando en una óptima fuente si se encuentra. El circuito integrado debe montarse en un radiador de calor.




