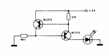
La corriente en el LED, del orden de 54 mA está determinada por el resistor de 12 ohms. La alimentación del circuito se realiza con una tensión de 5 V, pero otras tensiones se pueden utilizar con el cambio del valor del resistor. Los transistores pueden ser sustituidos por equivalentes más modernos como los BC557 o BC558 y el LED puede ser de cualquier tipo o color, de acuerdo con la corriente ajustada.




