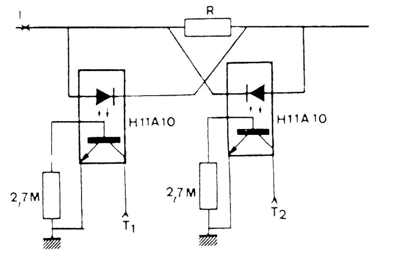
Este circuito puede ser utilizado como un shield indicador de polaridad o el sentido de circulación de corriente para la entrada de un microcontrolador. El resistor R debe calcularse en función de la intensidad de la corriente que debe ser sensoriada. El circuito es de una documentación de los años 80.




