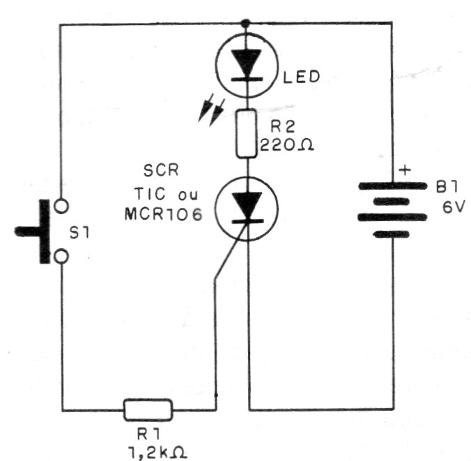
Este circuito hace la prueba simple de SCRs que tienen una corriente de mantenimiento baja, con los de la serie 106. El circuito es alimentado por una tensión de 6 a 12 V. Para probar apriete S1. El LED debe encenderse. Si se enciende antes del disparo es porque está en corto.




