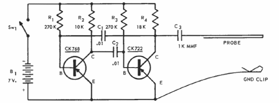
Este multivibrador asequible bien conocido de todos fue encontrado en el manual de aplicaciones de transistores de Raytheon de 1957, pudiendo ser montado con transistores más modernos como los BC558. La alimentación puede oscilar entre 6 y 9 V.

Este multivibrador asequible bien conocido de todos fue encontrado en el manual de aplicaciones de transistores de Raytheon de 1957, pudiendo ser montado con transistores más modernos como los BC558. La alimentación puede oscilar entre 6 y 9 V.
