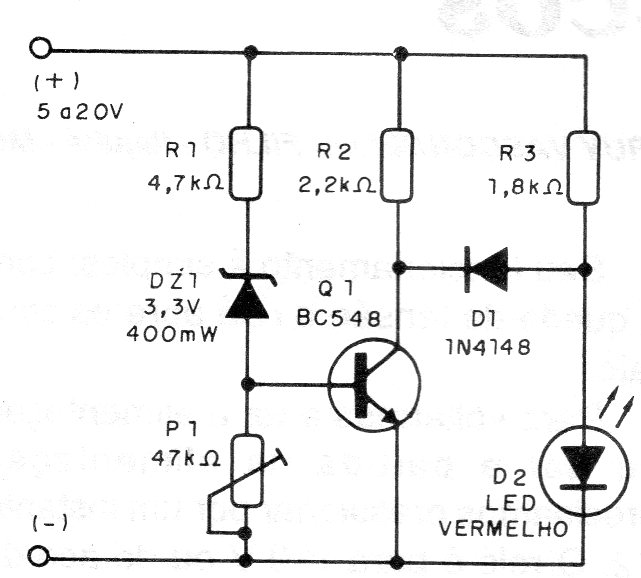
Encontramos este simple circuito indicador de subtensión en una publicación de 1992. El circuito acciona un LED cuando la tensión cae por debajo del valor de ajuste trimpot. Los Zeners con otros valores se pueden utilizar de acuerdo con el rango de tensiones de ajuste.




