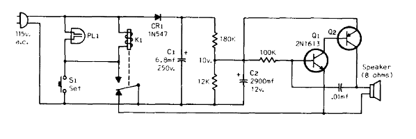
Este circuito emite una señal audible cuando cesa la tensión de la red. El circuito es de una publicación de 1973. El par de transistores puede ser el BC548 y BC558 y el tiempo del toque depende del capacitor C2.

Este circuito emite una señal audible cuando cesa la tensión de la red. El circuito es de una publicación de 1973. El par de transistores puede ser el BC548 y BC558 y el tiempo del toque depende del capacitor C2.
