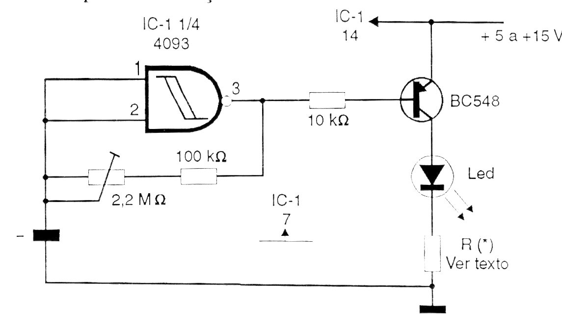
Este circuito excita uno o más LED que parpadean (a) en una frecuencia que se puede ajustar en el trimpot. El rango de frecuencias depende del capacitor. Para LED de más de 200 mA, utilice un BD136, La alimentación puede estar entre 3 y 15 V. El resistor R tiene su valor dependiente de la corriente y la cantidad de LED. Para 1 LED en 5 V utilice 330 ohms y para 1 LED en 12 V utilice 1k.




