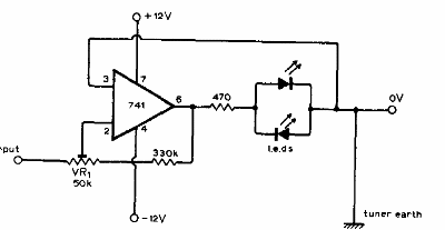
Encontramos este circuito en una publicación de 1975. La alimentación debe ser simétrica, pero puede utilizar otras tensiones. Los LED pueden ser de diferentes colores. El circuito se conecta al indicador analógico de sintonización de los receptores de FM.




