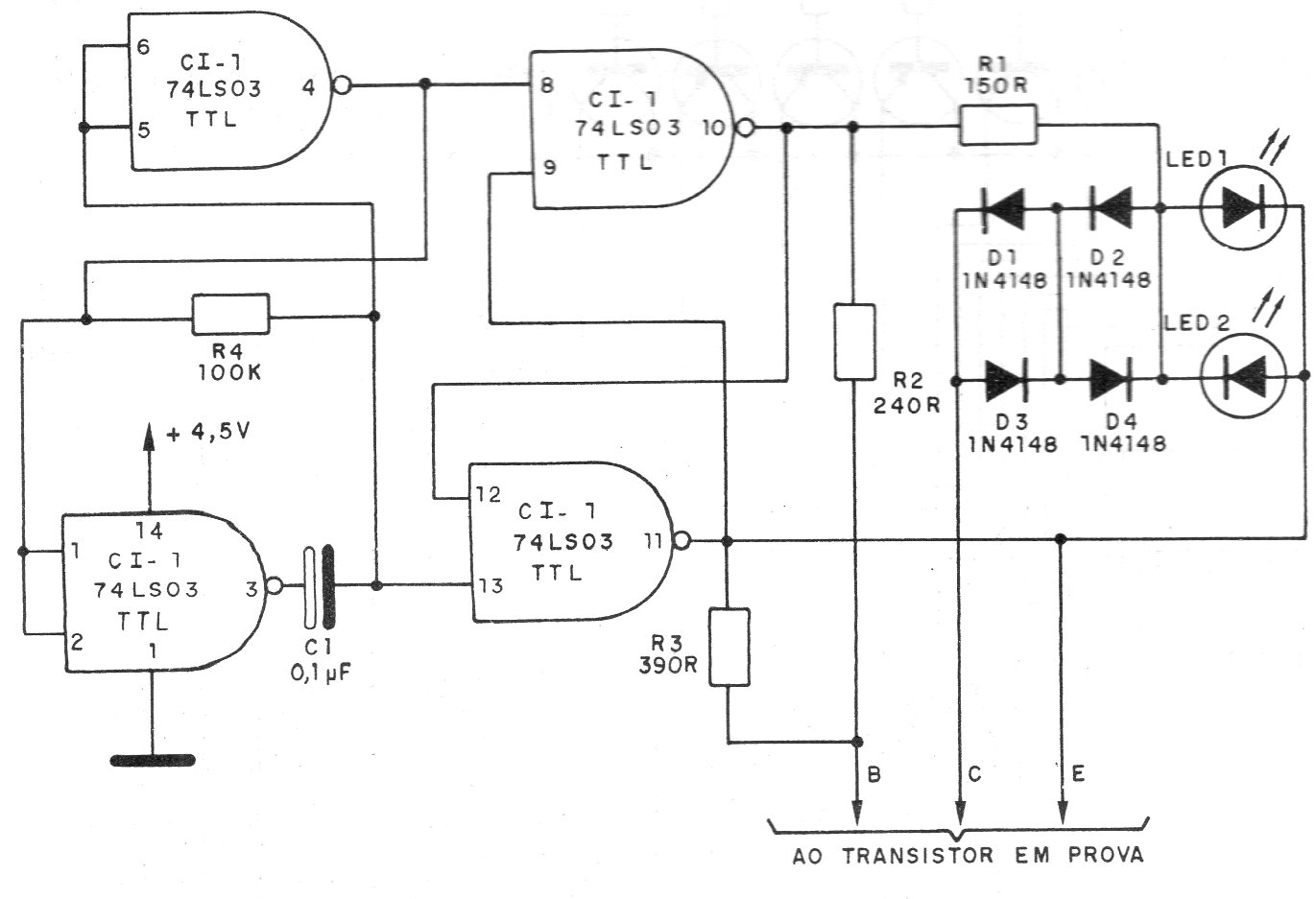
Este es un proyecto de una publicación de 1987. El circuito prueba a los transistores sin sacarlos del lugar en que funcionan. Sólo la alimentación del circuito debe estar apagada. El circuito prueba los transistores NPN y PNP y su alimentación debe ser hecha con 3 o 4 pilas comunes.




