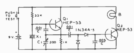
Hemos encontrado este circuito de prueba de cristales en una publicación de telecomunicaciones de 1976. Los transistores pueden ser los 2N2222 o equivalentes y la prueba sirve para probar cristales hasta unos 30 MHz. El consumo es bajo y la lámpara indicadora puede ser sustituida por un LED en serie con una resistencia de 1k.




