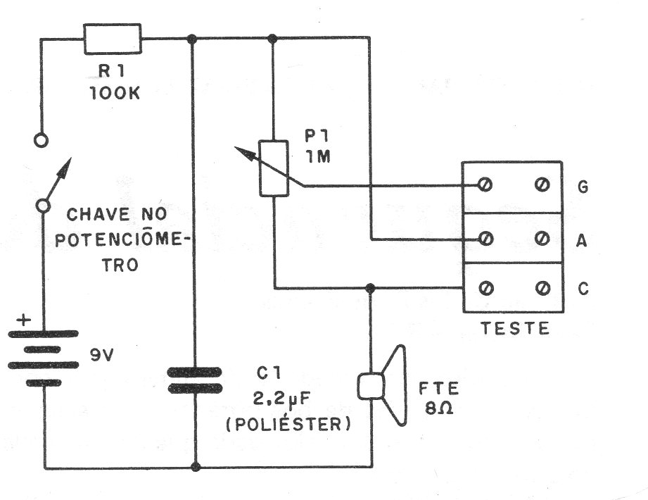
La finalidad de este circuito de 1985 es hacer la prueba sonora de SCRs del tipo 106 (MCR106, TIC106, IR106, C106, etc.). El circuito es de una documentación de 1985. La tensión de alimentación puede quedar entre 9 y 25 V. El circuito emite pulsos o sonido a un SCR bueno.




