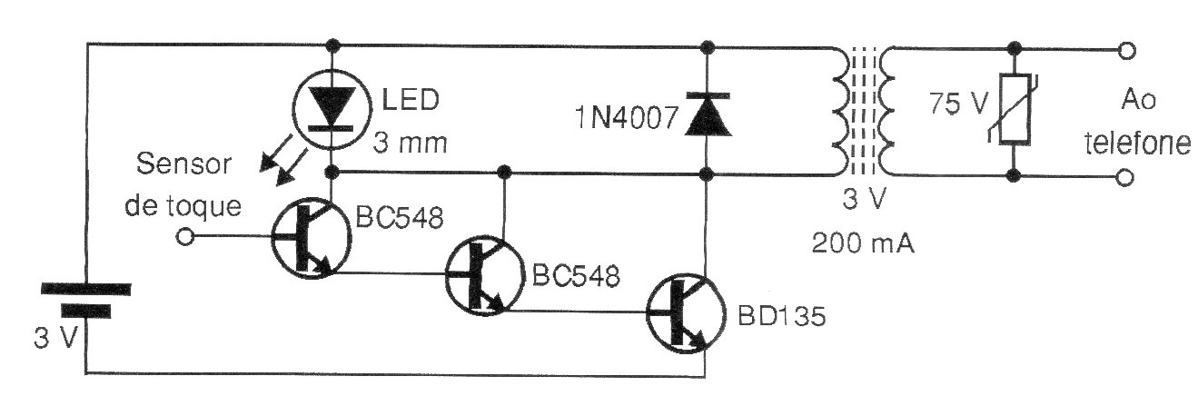
Este circuito fue encontrado en una documentación de 2006. Con él el timbre de un teléfono puede ser probado. Al tocar el sensor, el circuito inyecta en la línea una señal de llamada. El transformador tiene primario de acuerdo con la red de energía y secundario de 3 V y el transistor BD135 debe estar dotado de un pequeño disipador de calor.




