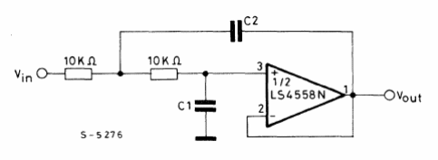
Encontramos este circuito en el manual de circuitos integrados lineales de la SGS de 1982. El circuito integrado usado es similar a un doble 741. La tabla da los valores de los condensadores para diferentes frecuencias de corte. La fuente debe ser simétrica de 6 a 12 V.





