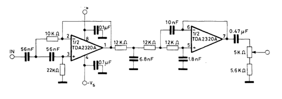
Este filtro de banda pasante para el rango de medios se puede utilizar en sistemas divisores de tres altavoces, deja pasar el rango de frecuencias entre 200 Hz y 2000 Hz. La alimentación debe realizarse con una fuente simétrica de 15 V. El circuito es el manual de circuitos integrados lineales de la SGA de 1982.




