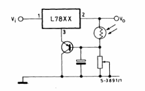
En este circuito la tensión de salida depende de la luz que incide en el LDR, aumentando cuando la luz aumenta. El circuito es del manual de circuitos integrados lineales de la SGS de 1982. R1 puede ser de 220 ohmios y el trimpot de 4k7. El transistor puede ser el BC558.




