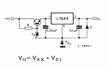
Este circuito está en el manual de circuitos integrados lineales de la SGS de 1982. El Circuito integrado es de la serie 78xx y la tensión de salida será dada por la tensión xx del regulador más la tensión del zener z1, conforme fórmula junto al diagrama. La corriente máxima es de 1 A.




