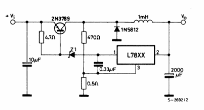
Este circuito fue obtenido en el manual de circuitos integrados lineales de la SGS de 1982. La corriente máxima depende del transistor y el XX es la tensión del integrado equivalente a los 78xx actuales. El transistor debe estar dotado de radiador de calor.




