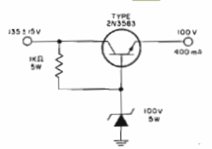
Este circuito fue obtenido en un manual de transistores de potencia de la RCA de 1972. El transistor admite equivalentes debiendo estar dotado de buen radiador de calor. Los Zeners para otras tensiones pueden ser utilizados. Observe la disipación de los componentes usados y la corriente máxima de salida.




