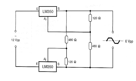
La National Semiconductor sugiere el circuito de la figura para la estabilización del valor de pico de una tensión alterna. El circuito se calcula para que la tensión de pico sea de 6 V, sin embargo, se pueden realizar modificaciones para obtener el ajuste en otros valores. El circuito recibe una entrada alternada de 12 V pico a pico y proporciona una tensión de salida de 6 V pico a pico con una corriente máxima de 3 ampères. Los circuitos integrados deben montarse en radiadores de calor.




