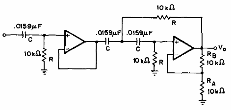
Este circuito se obtuvo en una documentación técnica sobre filtros de 1977. Los amplificadores operacionales son 741. Los componentes se pueden cambiar para el funcionamiento en otras frecuencias. La fuente de alimentación debe ser simétrica.

Este circuito se obtuvo en una documentación técnica sobre filtros de 1977. Los amplificadores operacionales son 741. Los componentes se pueden cambiar para el funcionamiento en otras frecuencias. La fuente de alimentación debe ser simétrica.
