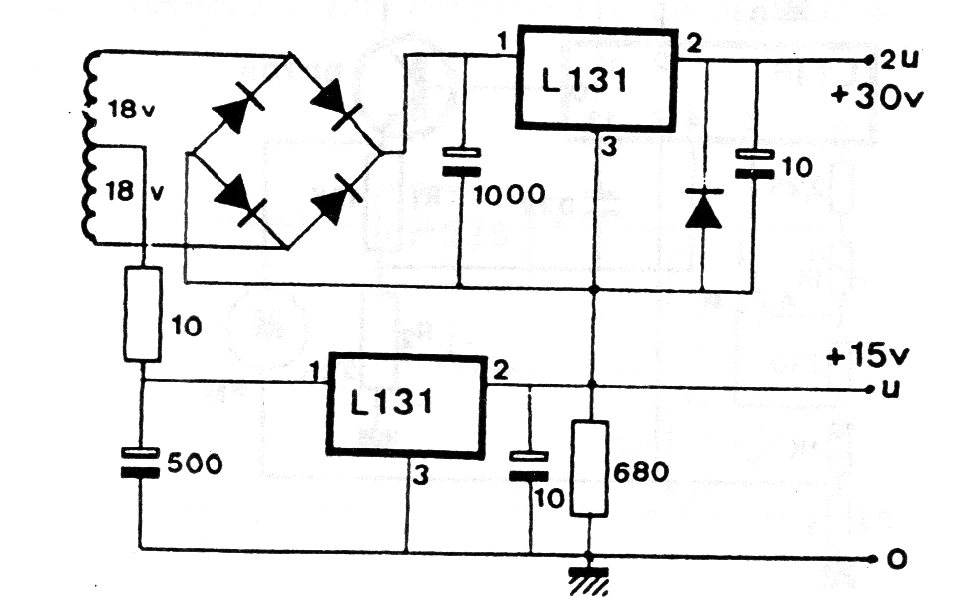
En la figura tenemos el modo de hacer la conexión de reguladores de tensión en serie para obtener una alimentación doble que también puede servir como simétrica si la referencia se toma en 15 V. Otras tensiones pueden ser obtenidas conforme a los reguladores usados.




