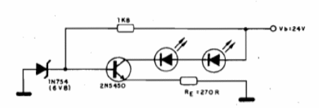
El circuito mostrado es sugerido por Texas Instruments. Su finalidad es proporcionar una corriente constante de 22,6 mA a dos LEDs conectados en serie. Los transistores equivalentes de uso general como los BC547 pueden ser usados y el LED fija la tensión de base en el transistor en 6,8 V. Este valor en conjunto con la caída de tensión en la unión emisor-base del transistor más la resistencia RE determinan la corriente En los LED. El valor de RE se puede cambiar en función de la corriente deseada.




