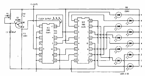
Este circuito fue encontrado en una documentación de Radio Shack de 1977. El circuito es TTL, debiendo ser alimentado con 5V y el transistor unijuntura puede ser el 2N2646.

Este circuito fue encontrado en una documentación de Radio Shack de 1977. El circuito es TTL, debiendo ser alimentado con 5V y el transistor unijuntura puede ser el 2N2646.
