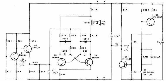
Este circuito es de una revista 73 de 1978. Los transistores pueden ser los BC548 y Q6, en realidad es un BC558. El circuito puede ser alimentado por batería. El transformador de salida es del tipo que se encuentra en pequeños radios transistorizados antiguos.




