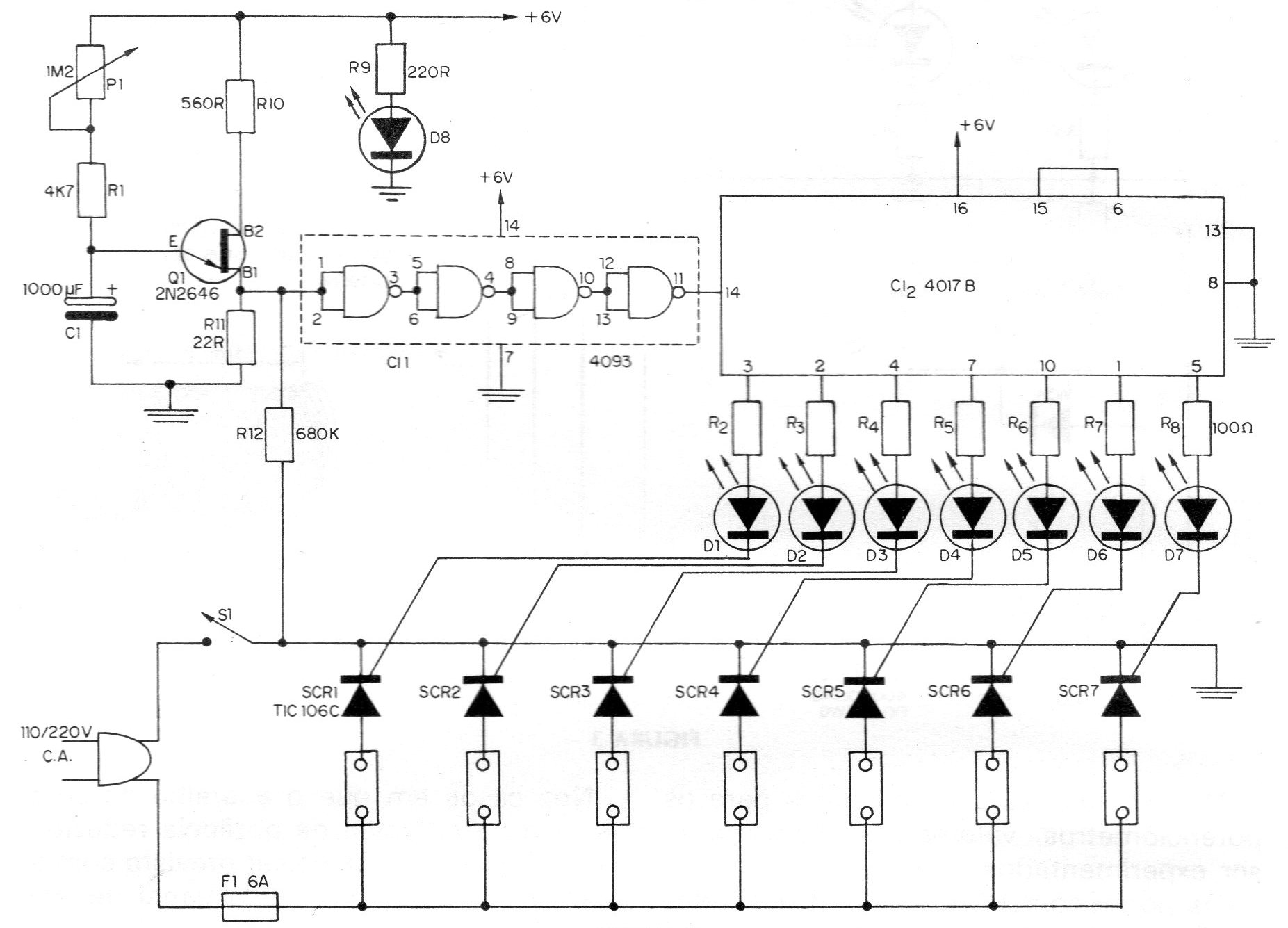
Un excelente sistema de secuencias de 7 canales se obtuvo en una documentación de 1981, que se muestra en la figura. La base de este circuito es un contador con el circuito integrado 4017 el cual es pilotado por un oscilador con transistores unijuntura y una etapa de disparo con el integrado 4093. El circuito integrado 4017 acciona directamente 7 SCRs del tipo 106 cada uno que pudiendo en la red de 110 V alimentar 440 W de lámparas y en la red de 220 V, el doble. Por supuesto, estos SCR deben montarse en buenos disipadores de calor. La frecuencia de funcionamiento del circuito se determina básicamente por el circuito de C1 con P1 y R1.La utilización de un condensador de alto valor permite la obtención de frecuencias más bajas. Un recurso interesante que debe ser observado en este proyecto es la conexión de LEDs en los gates de los SCRs para monitorear el disparo de cada uno. Los LED que se pueden colocar en el panel del aparato se encienden en la misma secuencia de accionamiento de las lámparas usadas como carga. La fuente de alimentación de la parte de baja tensión (integrados y unijuntura) que debe suministrar 6 V no se muestra en este diagrama.




