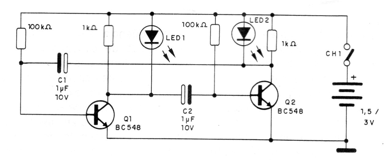
Este simple parpadeante originalmente fue creado para ser utilizado en bicicletas (1995). Sin embargo, puede ser utilizado en otras aplicaciones, por ejemplo, en juguetes, decoración y robots. La alimentación se realiza con tensiones de 1,5 a 3 V de una o dos pilas. Con una pila puede haber dificultad en la oscilación dada la tensión mínima requerida por los LED.




