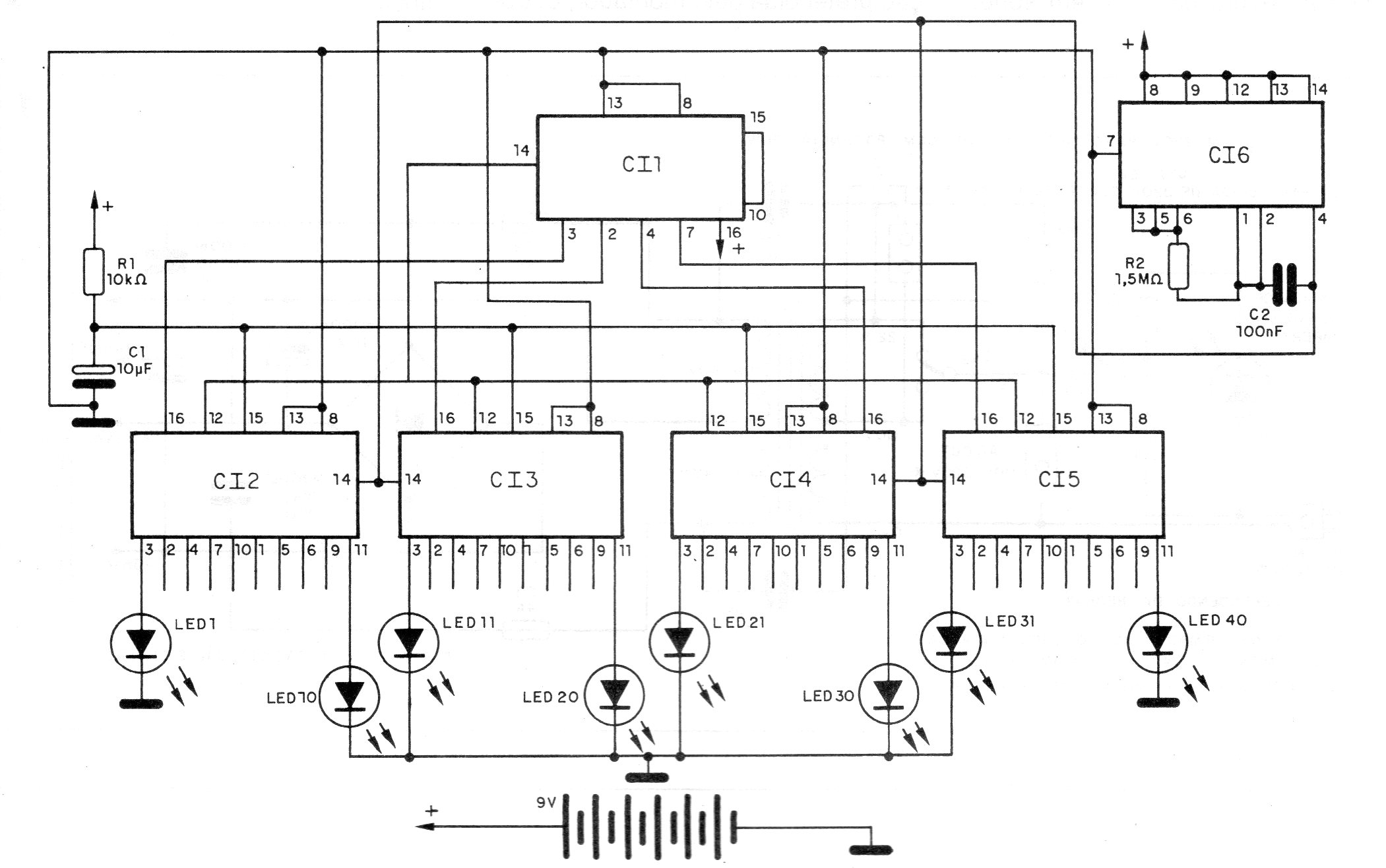
Este circuito es de una documentación de 1995. En el caso el accionamiento es de LED, pero pueden añadirse pasos excitadores para lámparas incandescentes mayores. La velocidad del efecto se puede cambiar en CI4. CI1 a CI5 son 4017 y demás son6 un 4001 o 4011.




