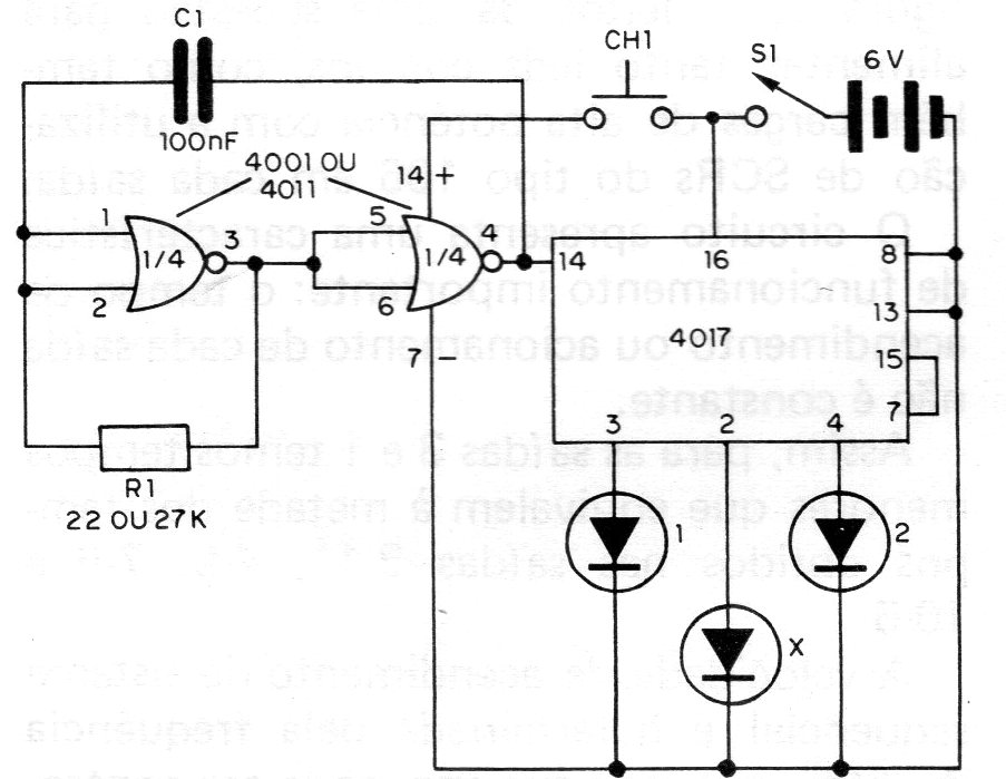
Este circuito genera una simple palpite cuando presionamos CH1 y luego soltamos. El circuito puede ser alimentado por pilas o baterías. Es conveniente un resistor de 470 ohms en serie con los LED. Encontramos este circuito en una antigua publicación técnica.




