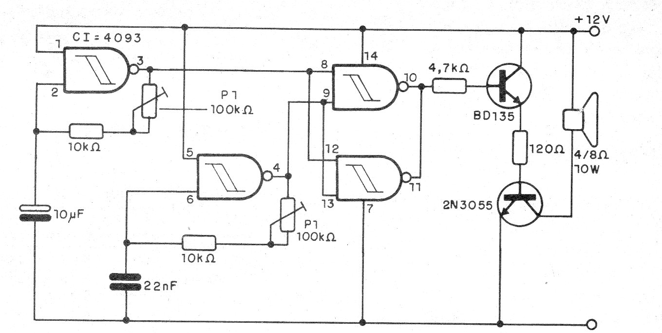
Este circuito genera pulsos de tono intermitentes determinados por el condensador de 10 uF y por el ajuste del potenciómetro P1. La tonalidad del sonido emitido depende del capacitor de 22 nF y del ajuste de P2. El transistor 2N3055 debe estar dotado de un disipador de calor, y para mayor rendimiento, el altavoz debe ser del tipo pesado con al menos 10 cm de diámetro.




