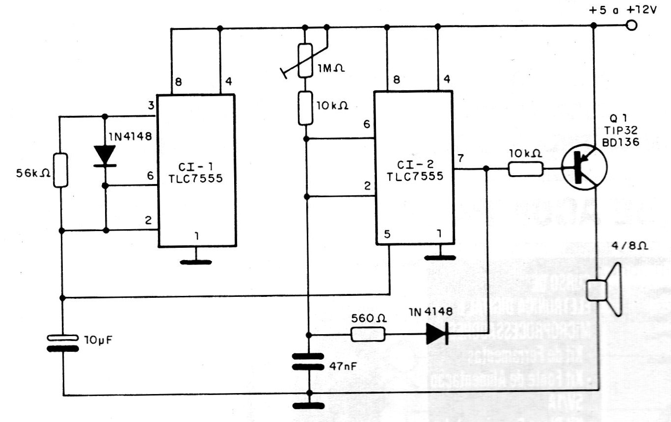
Con el circuito de la figura tenemos una modulación en frecuencia la cual es producida por un signo diente de sierra generado por C1. La frecuencia de este oscilador es de aproximadamente 1 Hz, con un tiempo de bajada muy rápido, dado por el diodo entre los pinos 3 y 6. Esta señal modula el segundo oscilador, formado por CI2, cuya frecuencia está en la pista de audio, pudiendo ser ajustada en el trimpot. También en este circuito tenemos varias opciones para el paso de salida, yendo de la configuración de muy baja potencia con transductor cerámico, y de alta potencia, con un transistor Darlington.




