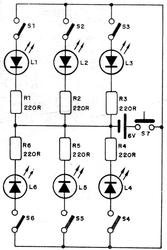
Este interesante juego fue encontrado en una publicación de 1987, pero es muy simple pudiendo ser montado con facilidad aún hoy. En el juego, cada jugador tiene 3 LED y 3 teclas para controlar sus LED. Las llaves se ocultan de modo que un jugador no ve la del otro. Se accionan entonces de modo oculto un cierto número de llaves y cada jugador debe adivinar cuántos LEDs se encender. Por supuesto, sólo después de los datos de las palpites S7 se acciona, encendiendo los LED. Vence quien adivina el número o más si se acerca a él.




