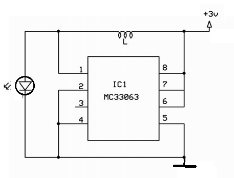
Con este circuito es posible excitar convenientemente un LED blanco o de otro tipo de alto brillo con fuentes de baja tensión como, por ejemplo, 3 V obtenidos de dos pilas comunes. El inductor es de 10 mH o mayor, de acuerdo con la corriente deseada para el LED. El circuito integrado MC33063 no es muy común en nuestro mercado.




