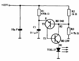
El circuito presentado genera pulsos de corta duración utilizando un circuito de relajación con dos transistores complementarios que pueden ser los BC548 y BC558. La frecuencia es dada por R1 y C1. El circuito es de un manual de optoelectrónica de Texas Instruments.




