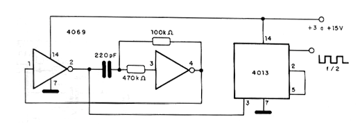
Este circuito permite la división de la frecuencia generada por un oscilador con el 4069 por dos, con una señal de salida manteniendo un ciclo activo del 50%. Esta simetría es importante cuando el circuito se utiliza en mezcladores digitales, multiplexores, como reloj de cámaras de eco o líneas de retardo digitales. Para el circuito 4069 sólo dos de las cuatro puertas disponibles se utilizan mientras que para el 4013 sólo uno de los flip-flops de este integrado se utilizan en el circuito.




