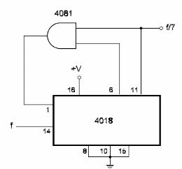
En la figura mostramos el modo de conectar un circuito integrado CMOS 4018 y una puerta AND del 4081 para implementar un divisor contador hasta 7. La señal de entrada debe ser rectangular y la frecuencia máxima es del orden de 10 MHz. debe quedar entre 5 y 15 V y los pinos de los circuitos integrados se puede encontrar en el sitio del autor.




