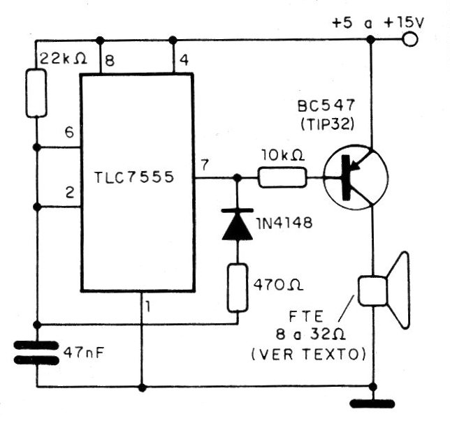
La excitación de un altavoz con un tono alrededor de 1 kHz aproximadamente, en un sistema de aviso sonoro, se puede hacer como se muestra en la figura. Para tensiones de alimentación entre 5 y 9 V se puede utilizar el BC558, pero para tensiones mayores, entre 12 y 15 V se debe utilizar un transistor de mayor potencia como el TIP32 o BD136, dotado de un radiador de calor. El consumo de este circuito no es elevado, en vista de la relación marca / espacio ser tal que el transistor sólo conduce aproximadamente 1/10 del tiempo de cada ciclo.




