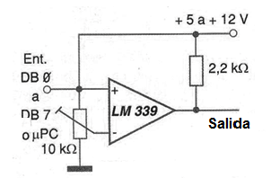
Una solución interesante que puede darse en algunos casos es la que se muestra en la figura en la que se emplea un trimpot de ajuste. Este trimpot de ajuste permite llevar el nivel de transición de la señal de la puerta en la que se obtiene el disparo al valor ideal. Esto permite que incluso microprocesadores que suministran tensiones menores de salida en sus puertas, como algunas versiones modernas que suministran señales de 2,7 V o 3,3 V también pueden ser usadas en la interfaz de circuitos externos, sin la necesidad de cambiar el circuito . Se observa que los resistores de referencia se calcularon para dos tensiones de alimentación del comparador: 6 V y 12 V. Para otras tensiones el lector puede hacer el cálculo, recordando que para una salida de disparo de 5 V, el nivel de la tensión de referencia debe ser de 2,5 V. Recuerde que las salidas de los comparadores LM139 / 239/339 son en colector abierto, exigiendo una resistencia pull-up. La corriente máxima drenada por la salida es de 16 mA (tip) para una alimentación de 5 V. Con ello, este paso puede excitar directamente transistores y otros dispositivos, con facilidad.




