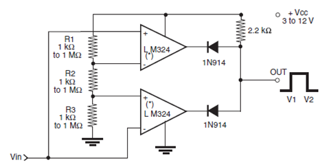
La salida de este circuito va al nivel alto cuando la tensión de entrada está entre V1 y V2, tensiones de referencia determinadas por los tres resistores. Se pueden utilizar otros comparadores. Vea en la sección de matemáticas cómo calcular estos componentes. El circuito es del libro Robotics, Mechatronics y Artificial Intelligence de Newton C. Braga.




