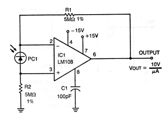
El amplificador operacional indicado en este circuito de una documentación antigua ya no se utiliza actualmente. Se puede utilizar un amplificador equivalente de mejor rendimiento y la alimentación se puede hacer con una tensión más baja. La ganancia es de 10 V para cada microampère de corriente en el diodo. El circuito requiere componentes de precisión si la aplicación es más crítica.




