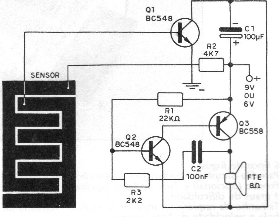
El circuito de la figura muestra que se trata de un oscilador accionado directamente por la conducción de Q1 la cual depende de la humedad existente en el sensor. El lector sugiere que este circuito sea usado como detector de lluvia o fugas, habiendo basado su elaboración en el limpiador de parabrisas publicado en el sitio. El sensor se puede hacer con una placa de circuito impreso común (con el formato mostrado en la propia figura que da el esquema) o bien por dos pantallas de alambre separadas por un pedazo de papel poroso. La frecuencia del oscilador se puede modificar con el cambio del valor de C1. Para un sonido más agudo, este condensador debe tener su valor reducido y para un sonido más grave, su valor debe ser aumentado. La alimentación de la alarma se realiza con una tensión de 6 o 9V dando preferencia al uso de pilas o de fuentes con transformador. Las fuentes sin transformador no deben usarse en vista del peligro de choque en contacto con el electrodo o de corto si el mismo se apoya en puntos metálicos conectados a tierra.




