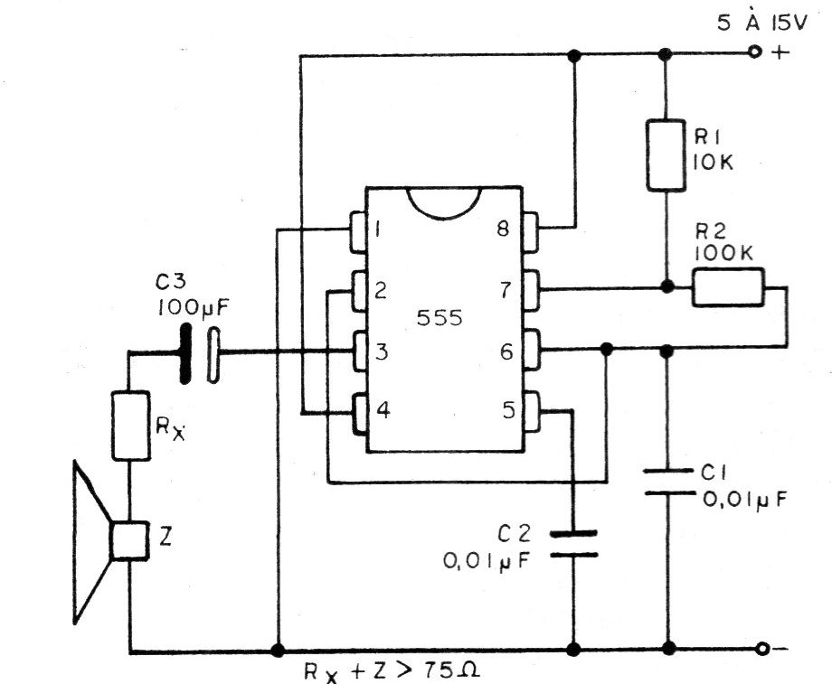
En la figura tenemos un circuito en el que el 555 se utiliza como un oscilador de audio para alarma generando un tono de aproximadamente 800 Hz. El ideal para la salida de este circuito es el uso de un altavoz de 75 ohms en cuyo caso la potencia máxima de audio se obtiene del orden de 750 mW. Sin embargo, en ausencia de un altavoz de este valor, el lector puede recurrir a dos artificios para obtener aún su funcionamiento. El primero consiste en la utilización de un transformador de salida cuya impedancia de primario sea de al menos 75 ohmios. O segundo consiste en conectar en serie con el altavoz un resistor de tal modo que su valor sumado a la impedancia del altavoz resulte en 75 ohms. En este caso, por supuesto, el volumen obtenido para el sonido será mucho menor porque una buena parte de la potencia de audio se perderá en el resistor. Como los otros circuitos que utilizan el 555 la alimentación de éste se puede hacer con cualquier tensión entre 5 y 15 V. En las condiciones de mayor potencia el consumo de la unidad será de 200 mA. Para cambiar la frecuencia del oscilador, si el reproductor desea puede sustituir el resistor R2 de 100 k por un potenciómetro de mismo valor conectado en serie a un resistor de 10 k.




