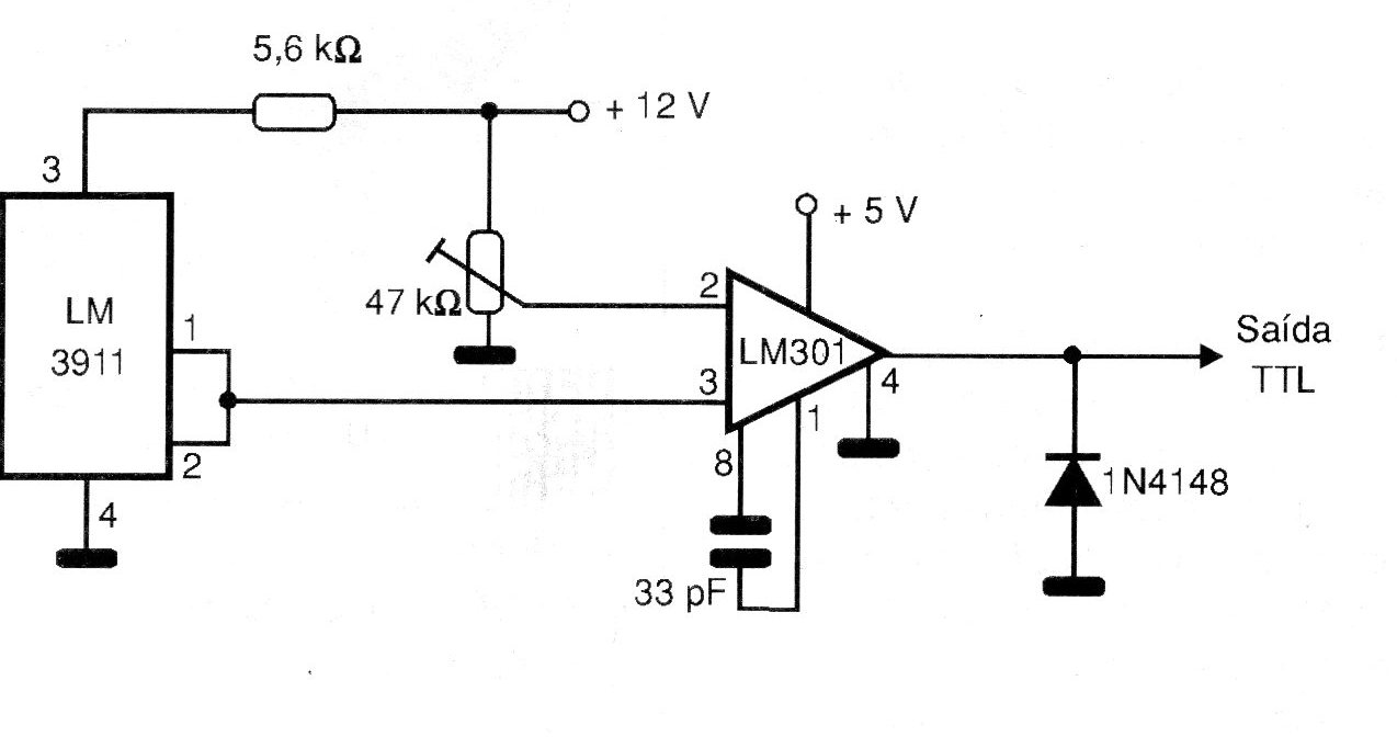
El circuito que presentamos en la figura 6 proporciona una señal lógica TTL en su salida, cuando el transductor LM3911 alcanza una cierta temperatura, determinada por el ajuste del trimpot de 47 k ohmios. El amplificador operacional LM301 de National Semiconductor debe ser alimentado por una fuente de 5 V, mientras que el circuito sensor por tensión de 12 V. Esta aplicación es sugerida por National Semiconductor que fabrica el integrado utilizado como sensor de temperatura.




