Este pequeño temporizador se puede utilizar en el laboratorio de ciencias para medir el tiempo que no pasan de 2 o 3 minutos, como reacciones químicas, fenómenos físicos o aún exposición de plantas a la luz o incluso chapas fotográficas.
La base del proyecto es un circuito RC con lámpara neón donde el tiempo de carga de un condensador es determinado por el ajuste del potenciómetro.
Después de comparar los tiempos obtenidos en diversas posiciones del potenciómetro con un reloj o cronómetro común podemos calibrar su escala y así obtener un temporizador de buena precisión.
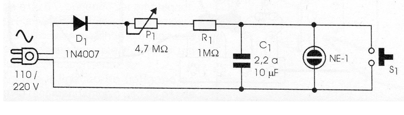
En la figura 1 tenemos el diagrama completo del aparato.
La disposición de los pocos componentes en un puente de terminales se muestra en la figura 2.
El capacitor C1 debe tener una tensión de trabajo de al menos 100 V (en cualquier red) y debe ser del tipo de poliéster con valores entre 2,2 y 10 uF. Los valores mayores conduce a la posibilidad de obtener temporizaciones mayores. El potenciómetro P1 es lineal de 4,7 M ohmios o 10 M ohmios.
Para la operación el procedimiento es simple: ajuste P1 para el tiempo deseado y conecte la unidad a la toma. El tiempo ya comenzará a ser contado. Cuando se alcanza el tiempo previsto la lámpara de neón se enciende.
Para rearmar el aparato o volver a contar el tiempo, pulse S1 por un instante. El chasquido es la descarga del condensador.
LISTA DE MATERIAL
D1 - 1N4007 - diodo de silicio
NE-1 - lámpara de neón común
P1 - 4,7 M ohms o 10 M ohms - potenciómetro
R1 - 1 M ohms - resistor - marrón, negro, verde
C1 - 2,2 a 10 uF x 100 V (o más) - capacitor de poliéster
S1 - Interruptor de presión NA (normalmente abierto)
Varios: puente de terminales, cable de alimentación, caja para montaje, botón y escala para el potenciómetro, hilos, soldadura, etc.





